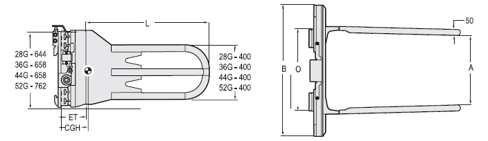
| Capacity 承載能力(kg) | Catalog Order NO 型號(hào) | Mounting Class 安裝等級(jí) | Opening Range張臂范圍A(mm) | Frame Width框架寬度B(mm) | Arm Height臂高H(mm) | Arm Length臂長L(mm) | Minimum Truck Carriage Width叉車貨叉架寬度最小值O(mm) | Weight 自重(kg) | Effective 失載距ET(mm) | Horizontal Center of Gravity 水平重心CGH(mm) |
| 200 | X35D-FMS-004A | ISO 2A | 1790-3180 | 1900 | 400 | 1800 | 990 | 570 | 180 | 390 |
| 500 | X35D-FMS-001A | ISO 2A | 1260-2630 | 1041 | 417 | 980 | 890 | 465 | 127 | 310 |
| 500 | X35D-FMS-003A | ISO 2A | 940-2330 | 1041 | 400 | 1800 | 890 | 475 | 167 | 280 |
| 500 | X35D-FMS-005A | ISO 2A | 1040-2430 | 1041 | 400 | 1800 | 890 | 490 | 467 | 280 |
| 600 | X35D-FMS-002A | ISO 2A | 850-2230 | 1041 | 417 | 980 | 890 | 430 | 127 | 280 |
| 1000 | X35D-FMS-006A | ISO 2A | 940-2330 | 1041 | 600 | 1500 | 890 | 475 | 167 | 280 |
| 1800 | X50D-FMS-001B | ISO 3A | 790-2600 | 1600 | 600 | 2600 | 990 | 920 | 150 | 650 |
| 2200 | X50D-FMS-002A | ISO 2A | 790-2600 | 1600 | 400 | 1800 | 990 | 700 | 142 | 380 |
| 2200 | X50D-FMS-002B | ISO 3A | 790-2600 | 1600 | 400 | 1800 | 990 | 730 | 150 | 370 |